کاربرد مبدل حرارتی پوسته و لوله در تهویه مطبوع و سیستمهای HVAC (گرمایش، تهویه و تهویه مطبوع) برای دستیابی به مدیریت حرارتی کارآمد در محیطهای مسکونی و تجاری بسیار مهم است. این بحث جامع به اهمیت این مبدلهای حرارتی، ملاحظات طراحی، اصول عملیاتی، و کاربردهای متنوع در صنعت HVAC میپردازد.
برای اطلاع از قیمت مبدل حرارتی پوسته و لوله کلیک کنید.
معرفی مبدل حرارتی پوسته و لوله در تهویه مطبوع
سیستم های تهویه مطبوع نقش مهمی در حفظ محیط های داخلی راحت ایفا می کنند و فرآیندهای تبادل حرارت موثر را ضروری می کنند. در میان طرح های بی شمار مبدل حرارتی، پیکربندی پوسته و لوله به عنوان یک راه حل قوی، متعادل کننده کارایی، تطبیق پذیری و سهولت نگهداری برجسته است.

ملاحظات طراحی کاربرد مبدل حرارتی پوسته و لوله در تهویه مطبوع
**1. مواد لوله: لوله ها معمولاً از موادی با رسانایی حرارتی بالا مانند مس یا آلومینیوم ساخته می شوند تا انتقال حرارت کارآمد را تسهیل کنند.
**2. چیدمان لوله: بسته به کاربرد، لوله ها را می توان به صورت مستقیم، U شکل یا مارپیچ مرتب کرد. ترتیبات U-tube به دلیل عملکرد حرارتی و سهولت نگهداری در سیستم های HVAC رایج است.
**3. اندازه لوله: اندازه لوله یک پارامتر حیاتی است که بر عملکرد مبدل حرارتی تأثیر می گذارد. اندازه مناسب انتقال حرارت بهینه را با در نظر گرفتن محدودیتهای فضا و ویژگیهای جریان سیال تضمین میکند.
**4. بافل ها: بافل های داخلی با ایجاد تلاطم در جریان سیال، انتقال حرارت را افزایش می دهند. طراحی مناسب بافلینگ برای به حداکثر رساندن راندمان حرارتی بسیار مهم است.
اصول عملیاتی
مبدل های حرارتی پوسته و لوله بر اساس اصل تبادل حرارت بین دو جریان سیال – معمولاً مبرد و هوا – کار می کنند.
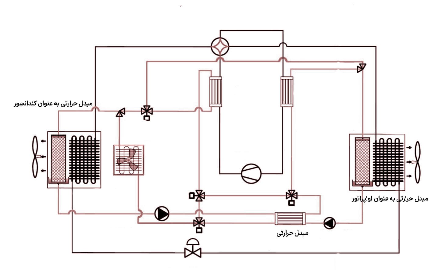
**1. حالت خنک کننده: در تهویه مطبوع، مبرد موجود در لوله ها گرمای هوای داخل را جذب کرده و باعث تبخیر آن می شود. سمت پوسته، معمولاً هوا، سپس گرمای جذب شده را می برد و به مبرد اجازه می دهد تا به حالت مایع خود بازگردد.
**2. حالت گرمایش: در طول چرخه گرمایش، روند معکوس می شود. مبرد گرما را از هوای بیرون خارج می کند و سمت پوسته (هوای داخل خانه) گرما را دریافت می کند و باعث افزایش دما برای گرمایش فضا می شود.
برنامه های کاربردی در HVAC
کاربرد مبدل حرارتی پوسته و لوله در تهویه مطبوع کاربردهای متنوعی (گرمایش، تهویه و تهویه مطبوع) پیدا می کنند. طراحی، کارایی و انطباق پذیری آنها، آنها را به اجزای جدایی ناپذیر در سیستم های مختلف HVAC تبدیل می کند. بیایید برخی از برنامه های کاربردی کلیدی را بررسی کنیم:

کاربرد مبدل حرارتی پوسته و لوله در تهویه مطبوع
1. گرمایش و سرمایش فضا
کاربرد مبدل پوسته و لوله در تهویه مطبوع به دو حالت موجود می باشد.
- حالت خنک کننده: در تهویه مطبوع، مبدل های حرارتی پوسته و لوله نقش حیاتی در چرخه خنک کننده دارند. مبرد موجود در لوله ها گرمای هوای داخل خانه را جذب می کند و باعث تبخیر آن می شود. سمت پوسته، اغلب هوا یا آب، گرمای جذب شده را می برد و به مبرد اجازه می دهد تا به حالت مایع خود بازگردد.
- حالت گرمایش: در طول چرخه گرمایش، روند معکوس می شود. مبرد گرما را از هوای بیرون یا منبع گرما استخراج می کند و سمت پوسته (هوای داخل خانه یا آب) گرما را دریافت می کند و باعث افزایش دما برای گرمایش فضا می شود.
2. سیستم های آب سرد
- مبدل های حرارتی پوسته و لوله معمولاً در سیستم های آب سرد استفاده می شوند. آب سرد از طریق لوله ها به گردش در می آید و هوا از روی لوله ها عبور می کند و تبادل حرارت غیر مستقیم را تسهیل می کند. سپس این هوای سرد برای خنک کردن محیط داخلی توزیع می شود.
3. سیستم های بازیابی حرارت
- سیستم های تهویه مطبوع اغلب از اجزای بازیابی گرما برای بهبود بهره وری انرژی استفاده می کنند. مبدل های حرارتی پوسته و لوله نقش مهمی در انتقال گرما بین هوای خروجی و هوای تازه ورودی دارند. این فرآیند هوای ورودی را پیش گرم یا از قبل خنک می کند و مصرف انرژی کلی سیستم HVAC را کاهش می دهد.
4. چگالش مبرد
- پس از اینکه مبرد گرما را از هوای داخل در طول چرخه خنک کننده جذب کرد، نیاز به چگالش دارد. مبدل های حرارتی پوسته و لوله این فرآیند را با دفع گرما به محیط خارجی تسهیل می کنند و به مبرد اجازه می دهند تا برای چرخه بعدی به حالت مایع خود بازگردد.
5. گرمایش و سرمایش منطقه ای
- در کاربردهای HVAC در مقیاس بزرگتر، به ویژه در سیستمهای گرمایش و سرمایش منطقه، مبدلهای حرارتی پوسته و لوله برای انتقال گرما بین یک منبع متمرکز و ساختمانهای جداگانه استفاده میشوند. این امر توزیع موثر انرژی گرمایش یا سرمایش را در سراسر شبکه امکان پذیر می کند.
6. سیستم های گرمایش تابشی
- مبدل های حرارتی پوسته و لوله را می توان در سیستم های گرمایش تابشی ادغام کرد که در آن آب گرم از طریق لوله ها به گردش در می آید و گرما را از طریق پانل های تابشی یا کفپوش به فضای اطراف منتقل می کند. این روش گرمایش کارآمد و راحت را فراهم می کند.

7. خنک کننده فرآیند صنعتی
- سیستم های HVAC در محیط های صنعتی اغلب به راه حل های خنک کننده تخصصی نیاز دارند. مبدل های حرارتی پوسته و لوله برای خنک سازی فرآیند مورد استفاده قرار می گیرند، جایی که آنها گرما را بین سیستم HVAC و فرآیندهای صنعتی مبادله می کنند و به حفظ دمای عملیاتی بهینه کمک می کنند.
8. خنک کننده مرکز داده
- در مراکز داده، جایی که کنترل دما برای عملکرد تجهیزات حیاتی است، مبدل های حرارتی پوسته و لوله در سیستم های خنک کننده نقش دارند. آنها به دفع گرمای تولید شده توسط سرورها و قطعات الکترونیکی کمک می کنند و عملکرد قابل اعتماد را تضمین می کنند.
9. سیستم های کنترل رطوبت
- سیستم های HVAC اغلب مسئول کنترل رطوبت هستند. مبدلهای حرارتی پوسته و لوله با تنظیم دمای هوا و تأثیر بر ظرفیت نگهداری رطوبت آن به این فرآیند کمک میکنند.

کاربرد مبدل حرارتی پوسته و لوله در تهویه مطبوع
نتیجه:
مبدل های حرارتی پوسته و لوله اجزای همه کاره در سیستم های HVAC هستند که به انتقال حرارت کارآمد و کنترل دما کمک می کنند. کاربردهای آنها از گرمایش و سرمایش مسکونی سنتی گرفته تا تنظیمات صنعتی و تجاری تخصصی تر است که سازگاری و اهمیت این طراحی مبدل حرارتی را در صنعت HVAC نشان می دهد. با پیشرفت فناوری، این کاربردها احتمالاً با تلاش های مداوم برای افزایش بهره وری انرژی و پایداری محیطی در سیستم های HVAC گسترش خواهند یافت.
همچنین بخوانید:
مبدل حرارتی پوسته و لوله سر شناور
محاسبه مساحت مبدل حرارتی پوسته و لوله
پوسته و لوله نوع ورق لوله ثابت
مزایا در برنامه های HVAC
**1. راندمان بالا: سطح بزرگ ارائه شده توسط بسته لوله، انتقال حرارت کارآمد را تضمین می کند و به کارایی کلی سیستم های HVAC کمک می کند.
**2. تطبیق پذیری: مبدل های حرارتی پوسته و لوله می توانند انواع مبردها را مدیریت کنند و با پیکربندی های مختلف HVAC سازگار هستند.
**3. سهولت تعمیر و نگهداری: طراحی مدولار امکان بازرسی و تعویض لوله های جداگانه را فراهم می کند و زمان خرابی را در طول تعمیر و نگهداری به حداقل می رساند.
چالش ها و ملاحظات
**1. خوردگی: خوردگی یک نگرانی است، به ویژه در هنگام استفاده از موادی مانند مس. انتخاب مواد مناسب و استراتژی های پیشگیری از خوردگی ضروری است.
**2. افت فشار: طراحی باید افت فشار در سراسر مبدل حرارتی را برای حفظ عملکرد بهینه سیستم در نظر بگیرد.
**3. پوسته پوسته شدن: در مناطقی با آب سخت، پوسته پوسته شدن روی سطوح لوله ممکن است رخ دهد که بر راندمان انتقال حرارت تاثیر می گذارد. اقدامات تصفیه آب برای کاهش جرم گیری ضروری است.
نوآوری ها و روندهای آینده
پیشرفت در مواد، مانند آلیاژهای مقاوم در برابر خوردگی، و ادغام کنترل های هوشمند برای نظارت و بهینه سازی در زمان واقعی، آینده مبدل های حرارتی پوسته و لوله در HVAC را شکل می دهد. علاوه بر این، تحقیقات برای بهبود بهره وری انرژی و کاهش اثرات زیست محیطی در حال انجام است.
برای مشاهده انواع مبدل ها ی حرارتی کلیک کنید .
نتیجه
در نتیجه، مبدلهای حرارتی پوسته و لوله نقشی محوری در سیستمهای تهویه مطبوع و تهویه مطبوع دارند و راهحلی قوی برای تبادل حرارت کارآمد ارائه میدهند. تطبیق پذیری آنها، همراه با پیشرفت در مواد و فناوری، تضمین می کند که آنها اجزای جدایی ناپذیر در ایجاد محیط های داخلی راحت و کم مصرف باقی می مانند. همانطور که صنعت HVAC به تکامل خود ادامه می دهد، نقش این مبدل های حرارتی بدون شک گسترش می یابد و به راه حل های مدیریت حرارتی پایدار و نوآورانه کمک می کند.
